-
S7-200 SMART PLC与Modbus称重仪表的通讯案例
1 一台支持Modbus协议的称重仪表 支持Modbus协议的称重仪表 2 设置好仪表的通讯参数 根据自己的要求可以调整,只要和PLC端统一就可以 波特率:9600 数据格式:8n1:8位数据/无校验位 通讯方式:Modbus协议 校验和:OFF 仪表通讯地址:1 3 确定所要读取的变量地址 这里我们只需要读取仪表的当前实时重量即可 仪表实时重量的地址为0,对应Modbus通讯里的40001 4 200 smart PLC一台 5 连接端口 将仪表端的RS485接口A,B与PLC端…
-
RS485控制线的布线安装与注意事项
做工程很多时候会提到RS485控制线,它到底是什么呢?今天我聊聊RS485相关的应用,深入了解RS485,你会发现里面的知识确实有很多,那么我们就选择一些平时在弱电中会考虑到的问题供大家了解。 一、什么是RS485总线 工业现场经常要采集多点数据,模拟信号或开关信号,一般用到RS485总线,RS-485采用半双工工作方式,支持多点数据通信。RS-485总线网络拓扑一般采用终端匹配的总线型结构。即采用一条总线将各个节点串接起来,不支持环形或星型网络。 RS485无具体的物理形状,根据工程的实际情况…
-
西门子PLC指令详解 - 提升您的自动化技能
西门子PLC指令是用于编程可编程逻辑控制器(PLC)的重要工具,可以帮助工程师实现自动化控制。这些指令涵盖了一系列的功能,包括逻辑控制、计数、定时、算术运算等。通过使用这些指令,工程师可以创建复杂的控制逻辑,以满足各种工业应用的需求。 西门子PLC指令通常包括LD(逻辑“与”)、LDI(逻辑“非”)、AND(逻辑“与”)、OR(逻辑“或”)、ANDI(逻辑“与非”)、ORI(逻辑“或非”)、COM(公共端)、SET(置位)、RESET(复位)等。这些指令可以根据需要进行组合和嵌套,以实现更复杂的…
-
初学者实操|PLC MODBUS通讯示例
一、Modbus通信协议 Modbus协议只有一个主站,可以有1~247个从站。此协议支持传统的RS-232、RS-422、RS-485和以太网设备,许多工业设备,包括PLC,DCS,智能仪表等都在使用Modbus协议作为他们之间的通信标准。 当控制器设为在Modbus网络上以RTU模式通信,在消息中的每个8Bit字节按照原值传送,不做处理,如63H,RTU将直接发送01100011,这种方式的主要优点是数据帧传送之间没有间隔,相同波特率下传输数据的密度要比ASCII高,传输速度更快。 二、Mo…
-
霍德森G9新风机Modbus通讯协议
1、通讯接口 RS485 通讯串口配置: 8位数据位,1位停止位,无校验,波特率:9600bps 通讯协议:MODBUS RTU 支持指令:0X03 0X06 0X10 2、485通讯协议 读取设备地址通信命令: 上位机发送命令格式: 固定码 功能码 固定码 CRC校验码 0x01 0x2A 0x01 0xXXXX 下位机(设备)响应命令格式: 固定码 功能码 设备地址 CRC校验码 0x01 0x2A 0xXX 0xXXXX 读取单个/多个寄存器数据命令:0…
-
松岛吊顶除湿机Modbus通讯协议
通信协议: 本通讯采用标准Modbus RTU通讯协议,支持01 04 05 06 功能码, 数据为整型16位。 通信波特率:1200 2400 4800 9600 可设置(上电默认波特率为1200,),地址:1~254可设置(出厂默认地址为01),1位起始位,8位数据位,无奇偶校验 一 功能码 01 对远程设备读取线圈状态(开关量数据,每一位代表一个开关量,0=关 1=开,地址以位地址表示,数据以字节表示,不足一字节位,高位以0填充) 对地址 01 读取当前设备开关量状态 主机请求:发送数据为…
-
西门子PLC与人机界面的RS485通信
S7-200 SMART CPU既可以通过本体集成的RS485端口或信号板连接支持PPI协议的西门子HMI设备,还可以通过本体集成的以太网口来连接支持S7协议的西门子HMI设备。当CPU的三个物理接口同时连接西门子HMI设备时(包含信号板),最多的连接资源数是16个。 CPU的连接能力 Smart Panels 支持的 PLC: 第一代产品 SmartLine(无以太网接口):S7-200、OMRON CP1系列、三菱 FX 系列、Modbus RTU; 注意:只能建一个通讯连接,否则Smart…
-
西门子1200PLC的Modbus(RTU)详细说明全集
Modbus具有两种串行传输模式:分别为ASCII和RTU。 Modbus是一种单主站的主从通信模式,Modbus网络上只能有一个主站存在,主站在Modbus网络上没有地址,每个从站必须有唯一的地址,从站的地址范围为0 - 247,其中0为广播地址,从站的实际地址范围为1 - 247。Modbus RTU通信以主从的方式进行数据传输,在传输的过程中Modbus RTU主站是主动方,即主站发送数据请求报文到从站,Modbus RTU从站返回响应报文。 S7-1200以下模块支持 Modbus RT…
-
西门子系列PLC安装接线详解
本文中介绍的西门子PLC安装接线详解,包含PLC型号有:Smart200、S7-300,S7-1200,S7-1500等。 PART 01 西门子200模块常用PLC接线图 CPU SR20+EMDR32 PART 02西门子S7-300常用模块接线图CPU315+PS307(电源模块)+SM321(DI模块)+SM322(DO模块) PART 03西门子S7-1200常用模块接线图CPU1214C+SM1223 PART 04西门子1500常用模块接线图 PART 05以下详细介绍S71500…
-
Modbus边缘计算网关
功能简述: 一款网络转485网关设备,同时具备Modbus边缘网关功能,可以将众多设备寄存器值轮询暂存,同时可以用寄存器值产于与或逻辑判断功能,输出自定义的数据控制本地设备。 选型建议: 广泛适用于家庭,办公楼,酒店,银行,医院,学校,机场,博物馆,工厂,实验室等使用Modbus设备的用户,也适用于弱电集成商,智能家居方案工程师等专业人士使用。 产品特点: 1、具备传统网络TCP/IP转485的所有功能。2、2个独立串口(波特率可修改),每个独立串口支持2个网络端口。3、每个网络端口分别可以设定…
-
有人USR-DR301/DR302导轨式单串口服务器说明书
USR-DR30X 系列说明书 功能特点 10/100Mbps 自适应以太网接口 ,支持 AUTO-MDIX 网线交叉直连自动切换 工作模式可选择 TCP Server、TCP Client 、UDP Client 、UDP Server 、Httpd Client 、Modbus TCP 串口波特率从 600bps 到 460.8Kbps 可设置 ,支持 None 、Odd 、Even 、Mark 、Space 五种校验 自定义心跳包机制 ,保证连接真实可靠 …
-
MThings 摩尔信使 用户手册完整版
摩尔信使(MThings) 使用手册 关于本手册 本手册主要针对长念(上海)技术开发有限公司自主研发的 “摩尔信使 (MThings)”软件。 手册使用 在使用本产品前请仔细阅读本手册, 手册内容将不断更新、修正,但难免存在 与使用稍有不符或错误的情况 ,请及时在微信公众号 “ MThings 技术服务”上 留言给我们。 1 软件概述 摩尔信使(MThings)是一款基于 MODBUS 协议簇,面向工业控制现场 运维人员的上位机软件。 2 维护安装 2.1 下载 下载地址: http://gul…
-
上海卓岚ZLAN5143D串口服务器使用说明书
1. 概述 ZLAN5143D 是一款专门为工业环境设计的 RS485 设备数据采集器/物联网 网关,兼具串口服务器、Modbus 网关、MQTT 网关、RS485 转 JSON 等多种功 能于一体。它具有一个 RS485 接口和一个以太网接口。它采用导轨型安装方式, 体积小巧安装方便。采用接线端子式电源接入,9~24V 宽电压输入。由于只有 RS485 接口,取消了工业仪表上不常用的 RS232 接口,节约了成本和体积,和 普通产品相比具有更高的性价比。 图 1 ZLAN5143D 白色款 现…
-
有人口红DTU USR-DR154/152/150使用说明书
1. 产品概述 1.1. 产品简介 4G Cat 1 DTU 是有人物联面向多领域不同场景推出的一系列具备高速率 、低延迟 、使用简单的 LTE 无线数传终端 。该系列分为多功 能高可靠 G780s 系列 、高性价比 G771 系列 、导轨式 DR5X0 系列 、口红 DTU DR15X 系列。 该系列产品均支持三大运营商 4G Cat-1 网络接入;采用工业设计标准 ,支持宽电压端子供电; 内置独立硬件看门狗;提高面向恶劣 环境的防护等级 ,拓展更多领域的适用性 。产品出厂即送流量 ,100M…
-
RS-485收发器难题详解
1. 何时需要在RS-485总线上端接,以及如何正确端接? RS-485总线端接在许多应用中均很有用,因为此方式有助于提高信号完整性并减少通信问题。“端接”是指将电缆的特征阻抗与端接网络匹配,使总线末端的接收器能够观察到最大信号功率。未端接或端接不当的总线将无法很好的匹配,从而在网络末端产生反射,导致整体信号完整性降低。 在网络的双向环路时间远大于信号位时间时,无需终止,因为每次反射到达网络末端时,它们都会损失能量。但是,对于位时间基本上不长于电缆环路时间的应用…
-
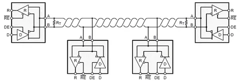
Modbus总线中为什么要加终端电阻,作用是什么?
无论您从事工业自动化、过程控制、机器设计还是任何其他工业应用,在某个时间点您都可能会遇到 RS-485 网络,为其进行故障排除绝对是一场噩梦。 RS-485 有很多优点,通过 RS-485 连接,可以铺设数千米的信号线,并成功地通过线路传输数据,无论是短的还是长的 RS-485 线路。甚至可以使用 RS-485 将最多 256 个不同的设备连接在一起(设备数量取决于 RS-485 网络配置、RS-485 驱动程序和每个 RS-485 节点的单位负载)。 从接线的角度来看,它在很大程度上非常简单,…
-
RS-485 基础知识:何时需要终止以及如何正确执行
许多RS-485网络的信号完整性和通信问题源自终端,无论是缺少终端还是终端不当都是如此。在本期RS-485基础系列中,我将谈论何时可以不终止RS-485网络,以及如果需要终止,如何使用标准(并行)终端和交流(AC)终端网络。 正如我在该系列的上一期中所讨论的,RS-485收发器的驱动器必须能够在32个单元负载和两个120Ω的终端之间驱动1.5V。我在帖子中没有提到,但120Ω的终端电阻值源于所谓的扭曲对总线线的差分模式特性阻抗。简而言之,线规、绝缘类型和厚度以及每单位长度的扭曲次数都会导致高速数…
-
常用PLC对应Modbus寄存器地址表
21种PLC对应Modbus地址表1、三菱: X元件支持Modbus之02功能码; Y元件支持Modbus之01、05、15功能码; D元件支持Modbus之03、06、16功能码。 2、西门子: I元件支持Modbus之02功能码; Q元件支持Modbus之01、05、15功能码; V元件支持Modbus之03、06、16功能码。 3、欧姆龙: CIO0元件支持Modbus之02功能码; CIO100元件支持Modbus之01、05、15功能码; D元件支持Modbus之03、06、16功能码…
-
摩尔信使(MThings)常用PLC寄存器配置实例(附图)
Modbus是工控领域中最常见的通讯协议之一,因此在PLC中也是常用的协议之一。许多PLC都支持Modbus协议,并且可以通过Modbus协议与其他设备进行通信。Modbus协议可以在串行通信和以太网通信中使用,使其成为一个非常灵活和广泛应用的协议。因此,可以说Modbus在PLC中并不是小众。 本文引用https://blog.csdn.net/w181108233/article/details/124734830,介绍21款常见PLC设备的寄存器配置实例,并附摩尔信使MThings数据配置…
-
MQTT物联网源代码
物联网云平台源代码
-
GUI Designer仿真调试使用手册
1.功能概述 在实际调试过程中,我们可以通过 GVSUI 的仿真调试功能对设计的界面效果及指令的收发进行查看验证,以 便达到设计的预期效果。 2.仿真调试准备工作 准备两个串口工具按照下图所示接好并且接入同一个电脑上面,接线分别是 GND-GND,RXD-TXD,TXD- RXD ,如 图 2.1 所示。 图2.1 串口接线方式3.如何仿真调试3.1 如何设置仿真端口打开已有的工程文件,点击菜单栏中的“仿真→设置”或点击仿真调试模块中的仿真器设置按钮 ,弹出仿真器设置窗口,点击仿真器端口的下拉框…
-
GUI Designer弹出窗和悬浮窗使用手册
1.弹出窗和悬浮窗介绍 弹出窗和悬浮窗都是以小窗口显示,起到提示等作用,漂浮于原窗口之上。 (注:悬浮窗和弹出窗不同点点 击其他空白的地方时,不会自动关闭,弹出窗则会关闭) 2.如何添加窗口 打开或新建一个工程文件,点击常用控件模块中的窗口图标添加窗口,窗口名称根据提示进行修改,如图 2.1 所示。 图2.1 添加窗口 3.如何设置窗口的位置及大小 选中添加的窗口 NEW2 ,通过鼠标或右侧属性窗口中的公共对窗口的大小进行修改,如图 3.1 所示。 图3.1 修改窗口的位置及大小 4.如何通过弹…
-
GUI Designer快速界面布局使用手册
1.界面布局介绍 在同一个窗口中,放置控件时可能出现杂乱无章的现象,可以通过 GVSUI 中的界面布局和网络布局控件进行界面 布局。 2.如何进行界面布局 2.1 如何添加控件 打开或新建工程,点击常用控件模块中的按钮图标,添加六个按钮控件,并对按钮控件添加文本显示,具体 操作步骤和方法详看《按钮类使用手册》,如图 2.1 所示。 图2.1 添加控件2.2 如何设置上对齐选中一个控件后,长按“Ctrl”键再选中其他控件,通过此方法可选中多个控件或通过鼠标直接选中多个控件。 选中两个或以上控件,点…
-
GUI Designer列表控件使用手册
1.列表控件介绍 列表控件用于不确定内容但是又拥有相同控件以及显示,例如消息列表,记录列表,账号列表等。 2.如何添加列表控件 打开或新建的工程中,点击工具箱中的标准控件,点击列表控件,添加列表控件,如图 2.1 所示。 图2.1 添加控件3.如何设置列表的位置大小及图像替换3.1 如何设置列表的位置及大小选中列表控件,通过鼠标或点击右侧属性窗口中的公共可修改控件的位置及大小,如图 3.1 所示。 图3.1 设置位置大小3.1 如何设置列表的图片替换选中列表控件,点击右侧属性窗口,可进行图像修改…
-
GUI Designer圆形指针仪表使用手册
1.圆形指针仪表介绍 圆形指针仪表常应用于有表盘显示的情况当中,如温度计表盘的显示,就需要应用到圆形指针仪表控件。 2.如何添加圆形指针仪表 打开或新建工程,点击工具箱中的标准控件,点击圆形指针仪表图标,添加控件如图 2.1 所示。 图2.1 添加控件3.如何图片替换选中圆形指针仪表,点击右侧属性窗口,可进行图像修改,背景为圆形指针仪表的底图,指针为圆形指针仪 表的指针,如图 3.1 所示。 图3.1 图像替换仿真时,圆形指针仪表显示为所替换的图片,如图 3.2 所示。 图3.2 仿真演示4.如…
-
GUI Designer圆形时钟使用手册
1.圆形时钟介绍 圆形时钟为系统时间显示以圆形时钟表进行显示直观地显示当前时间,可应用于待机界面等显示。 2.如何添加圆形时钟 点击工具箱中的标准控件,选择圆形时钟图标,添加圆形时钟,如图 2.1 所示。 图2.1 添加圆形时钟 3.如何图片替换 选中圆形时钟,点击右侧属性窗口,可进行图像修改,点击“添加”按钮添加秒针显示,背景为圆形时钟的 底图,时分秒针为圆形时钟的时分秒针,如图 3.1 所示。 图3.1 图像替换 仿真时,圆形时钟就自行开始转动,如图 3.2 所示。 图3.2 圆形时钟仿真演…
-
GUI Designer RGB设置(色盘)使用手册
1.RGB 设置 (色盘) 功能概述 RGB 设置 (色盘) 可应用于 RGB 调光功能当中。 2.如何添加 RGB 设置 (色盘) 准点击工具箱中的通用模板,点击 RGB 设置 (色盘) 图标可添加 RGB 设置 (色盘) ,如图 2.1 所示。 图2.1 添加控件3.如何进行图片替换选中圆形拾色器,点击右侧属性窗口中的图像→点击滑块→选择图片→点击“... ”,可对圆形拾色器的滑块 进行图像替换,如图 3.1 所示。注:条形拾色器的滑块图像替换相同 图3.1 图像替换点击仿真运行按钮,弹出仿…
-
GUI Designer二维码控件使用手册
1.二维码控件介绍 二维码是一种能储存信息的特定格式图片,二维码控件可直接将某一个字符串 (包括连接,账号,密码等) 生成一个可用于扫描的二维码,便于对方扫描获取信息。 2.如何添加二维码控件 打开或新建一个工程文件,点击工具箱中的标准控件,选择二维码图标在窗口中添加二维码控件,如图 2.1 所示。 图2.1 添加二维码控件3.如何设置杂项选中二维码控件,点击右侧属性窗口中的杂项,在二维码值下的输入框中输入字符串可直接设置二维码中存 储的信息,通过扫描该二维码可直接获得该二维码控件中储存的二维码…
-
GUI Designer滑屏控件使用手册
1.滑屏控件和滑屏子控件介绍 “滑屏控件”用于一个窗口,但是窗口大小有限,添加滑屏控件后可分页显示,以达到在同一窗口中可存放更多 的控件。 “滑屏子控件”是为了存放各种控件而存在,依附于“滑屏控件”,在滑屏控件上添加滑屏控件子页,可理解为 一个特殊的可重叠窗口。 可理解为滑屏控件和滑屏子控件在共同作用下回达到同一窗口分页的效果,可在同一窗口中存放更多的控件。 2.如何添加滑屏控件和滑屏控件子页 打开或新建工程,点击工具箱中的容器类控件,点击滑屏控件及滑屏控件子页图标可添加对应控件,需注意 的是滑…
