
一、版本信息
- 产品类别:60GHz 人体占位感应器(RS485 版)
- 产品型号:MSA300D 485
- 产品版本:V1.0
二、型号说明
MSA300D 485 是一款基于多阵列高增益的 60GHz 雷达感应器,其感应天线可实现 -30°到 30°的无极调节,实现感应天线精准覆盖目标场景。同时其天线增益高,感应波束角窄,特别适用于极小区域的人体存在信息探测,如工位/厕位检测。结合独特的软件算法,它可以精准探测人在工位/厕位的占空状态,进而为当下基于人体存在的智慧办公和智能卫生间提供快速且精准的前端传感输入。
产品购买:https://www.modbus.cn/product/31216.html
三、产品特点
- 活体呼吸存在静止探测
- 精准输出有人/无人信号
- 精准探测极小范围人体存在信息
- 支持 RS485 有线通讯
- 支持感应天线 -30°到 30°调节
- 采用 60GHz 毫米波雷达技术
- 存在感知最大范围:直径 1-3 米
- 微动感知最大范围:直径 1-3 米
- 移动感知最大范围:直径 1-3 米
- 呼吸存在,微动感知,移动感知范围高度重合
- 圆型辐射图形,有效实现工位/厕位空间探测覆盖
- 无人到有人状态切换时间:0.5 秒内
- 有人到无人状态切换时间:大于 10 秒
- 支持吸顶内嵌安装
- 通过 RS485 协议设置感应参数
- 超低射频功率输出,对人体健康无害
- 不受温度、湿度、噪声、气流、灰尘、光照等环境影响
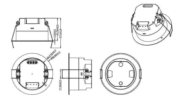
四、外观特性

- 尺寸:φ80×43.5mm
- 接口:4 位弹片升降端子
五、参数特性
(一)输入/输出
- 电压范围:12-24V DC
- 额定电压:12V/24V DC
- 工作电流:300mA max
- 工作功耗:≤1W @24V DC
- 通讯方式:RS485
(二)感应参数
- 射频工作频率:60GHz-64GHz
- 发射功率:5mW Max
- 感应范围(Detection Area):可通过 RS485 协议设置为 0%-100%
- 延时设置(Hold Time):可通过 RS485 协议设置为 1s-7200s
- 环境光测量范围:5-1200Lux(产品安装在 3m 高,采集产品正下方地面的光照度值)
(三)探测范围(100%灵敏度,半径)
- 移动/微动/存在(3m 高):0.5-1.5m
(四)其他参数
- 遥控功能:支持
- 安装高度:2-3.5m
- 3dB 波束角:
- XZ 平面:30°
- YZ 平面:30°
(五)使用环境
- 内嵌安装开孔尺寸:Φ70mm
- 工作环境温度:0℃~+50℃
- 储存温度:-25℃~+80℃
(六)认证标准
- 符合认证:FCC/RED
- 环保要求:符合欧盟 RoHS 要求
- 防护等级:IP20
六、尺寸及功能示意图
[此处应有尺寸及功能示意图]
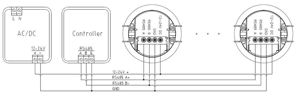
七、接线图及接线建议

(一)接线建议
- RS485 布线方式建议手拉手一线到底,不建议星型或树形布线以保证信号传输的稳定性
- RS485 布线线材推荐 0.5 平的 4 芯屏蔽线或者 6 类网线,总线布线长度建议不超过 300 米,并且一条总线接的感应器数量建议不超过 12 个
- 本感应器不带终端电阻,接入总线系统请注意阻抗匹配,一般推荐采用 2 个 120 欧电阻作为 485 总线的终端匹配电阻
八、启动过程与初始化
初次通电指示灯闪烁 10 秒后关闭,初始化期间不探测外界移动感应信号,指示灯可以通过 RS485 将指示灯关闭和打开,延时时间、探测范围(感应距离)可以通过 RS485 来设置
九、出厂设置
- 感应范围(Detection Area):100%
- 延时时间(Hold Time):30S
- 指示灯(Indicator light):open
十、感应辐射图
MSA300D 485 毫米波雷达传感器典型安装建议为吸顶安装,吸顶安装时其辐射范围如下:


十一、信号探测说明
本毫米波雷达传感器检测人体移动、微动、存在信号,实现睡眠状态下人体存在(有人/无人)的探测,具体说明如下:
- 移动信号:检测到人体在探测区域内进行大幅移动(行走)信号。
- 微动信号:检测到人体在探测区域内微小幅度动作信号,比如:身体前倾、后倾、肢体摆动、摇头、打字、玩手机等一些微小幅度行为动作。
- 存在信号:检测到人体呼吸生命体征引起(腹腔、胸腔扩张行为动作),没有检测大幅移动信号和微动信号。
十二、通讯参数格式及协议
(一)基本参数
- 串口通讯的波特率:9600
- 数据位:8
- 停止位:1
(二)数据帧格式
- DATA0:帧头
- DATA1:ID 高位
- DATA2:ID 低位
- DATA3:长度
- DATA4:功能
- DATA5/DATA6/DATA7:数值(如果无 DATA7,则 DATA6 为校验位;如果无 DATA8,则 DATA7 为校验位)
- DATA8:校验位
(三)通讯数据要求
- 通讯数据类型:HEX 格式发送和接收
- 每条设置命令间隔时间需大于 150ms,并监控返回数据是否与发送一样,若未收到则应重发,不超过 3 次
(四)示例
示例 1
| 项目 | 帧头 | ID 高位 | ID 低位 | 长度 | 功能 | 数值 | 校验和 |
|---|---|---|---|---|---|---|---|
| DATA0 | DATA1 | DATA2 | DATA3 | DATA4 | DATA5 | DATA6 | DATA7 |
| 51 | FF | FF | 06 | 05 | 64 | BE | |
| 校验和计算:51+FF+FF+06+05+64= 2BE,取后两位 BE |
示例 2
| 项目 | 帧头 | ID 高位 | ID 低位 | 长度 | 功能 | 数值 | 校验和 |
|---|---|---|---|---|---|---|---|
| DATA0 | DATA1 | DATA2 | DATA3 | DATA4 | DATA5 | DATA6 | DATA7 |
| 51 | FF | FF | 08 | 07 | 09 | 27 | C0 |
| 校验和计算:51+FF+FF+08+07+09+27+C0=34E,取后两位 4E |
十三、Merrytek 微波感应器标准通讯命令功能对应表
| DATA4 命令 | 功能名称 | 数据范围 | 读写 | 默认值 |
|---|---|---|---|---|
| 0x00 | 读取功能数据 Read Function data | w | w | |
| 0x03 | 工作状态 Work state | 1-2 | w/r | |
| 0x05 | 感应范围 Detection area | 0-4 | w/r | 4 |
| 0x07 | 阻塞时间 Blocking time | 0-FFFFFF | w | 0 |
| 0x08 | LED 指示 LED Indicator | 0-1 | w/r | 1 |
| 0x09 | 光照度值 Light sensor | 0-800lux | r | |
| 0x0A | 光照度差值 Difference Value | 10-100 | w/r | 10Lux |
| 0x0D | 延时时间 Hold Time | 2-7200 | w/r | 30s |
| 0x17 | 固件版本 Firmware version | 0.0.0-100.0.0 | r | 当前版本号 |
| 0x18 | 设备地址 Device ID | 0x0000-0xFFFF | w/r | 0xFFFF |
| 0x20 | 光照度倍值 Daylight Level Compensation(multiple) | 0x01-0x64 | w/r | 0xA |
| 0x21 | 编辑 ID Edit ID | 0-1 | w | 0x00 |
| 0x22 | 上报/查询切换 Submit a report/Enquire about | 0-1 | w/r | 1 |
| 0x23 | 翻转状态 Status filp | 1 | w | 1 |
| 0x25 | 光感阀值 Daylight sensor | 0-800lux,65535 | w/r | 65535 |
| 0x26 | 传感器使能 Mition detection on/off | 0-1 | w/r | 0 |
| 0x28 | 存在检测使能 Presence detection on/off | 0-1 | w/r | 1 |
| 0X29 | 设置安装高度 Installation height setting | 0-2 | w/r | 2 |
(一)命令操作说明
1. 读取功能数据
该功能一般作为查询感应器参数,将根据功能命令序号返回相应功能数据。
| 数值功能 | HEAD (DATA0) | ID (DATA1-DATA2) | LEN (DATA3) | Format (DATA4) | Function (DATA5) | CRC (DATA6) |
|---|---|---|---|---|---|---|
| 查询工作状态 | 0x51 | 0xFFFF | 0x06 | 0x00 | 0x03 | data0+…+data5 |
| 查询感应范围 | 0x51 | 0xFFFF | 0x06 | 0x00 | 0x05 | data0+…+data5 |
| 查询 LED 状态 | 0x51 | 0xFFFF | 0x06 | 0x00 | 0x08 | data0+…+data5 |
| 查询光照度值 | 0x51 | 0xFFFF | 0x06 | 0x00 | 0x09 | data0+…+data5 |
| 查询光照度差值 | 0x51 | 0xFFFF | 0x06 | 0x00 | 0x0A | data0+…+data5 |
| 查询延时时间 | 0x51 | 0xFFFF | 0x06 | 0x00 | 0x0D | data0+…+data5 |
| 查询固件版本 | 0x51 | 0xFFFF | 0x06 | 0x00 | 0x17 | data0+…+data5 |
| 查询设备地址 | 0x51 | 0xFFFF | 0x06 | 0x00 | 0x18 | data0+…+data5 |
| 查询是否允许主动上报 | 0x51 | 0xFFFF | 0x06 | 0x00 | 0x22 | data0+…+data5 |
| 查询光感阀值 | 0x51 | 0xFFFF | 0x06 | 0x00 | 0x25 | data0+…+data5 |
| 查询传感器使能 | 0x51 | 0xFFFF | 0x06 | 0x00 | 0x26 | data0+…+data5 |
| 查询存在检测使能 | 0x51 | 0xFFFF | 0x06 | 0x00 | 0x28 | data0+…+data5 |
| 查询安装高度 | 0x51 | 0xFFFF | 0x06 | 0x00 | 0x29 | data0+…+data5 |
2. 工作状态
该功能自动上报感应器工作状态。
| 数值功能 | HEAD (DATA0) | ID (DATA1-DATA2) | LEN (DATA3) | Function (DATA4) | Value (DATA5) | CRC (DATA6) |
|---|---|---|---|---|---|---|
| 无人状态 | 0x51 | 0xFFFF | 0x06 | 0x03 | 0x01 | data0+…+data5 |
| 有人状态 | 0x51 | 0xFFFF | 0x06 | 0x03 | 0x02 | data0+…+data5 |
状态上报说明:
- 无人状态切换至有人状态时,则立即上报。
- 有人状态不重复上报(可查询工作状态)。
3. 感应范围
该功能可设置感应器的探测范围,可根据空间大小调节相应档位。
| 数值功能 | HEAD (DATA0) | ID (DATA1-DATA2) | LEN (DATA3) | Function (DATA4) | Value (DATA5) | CRC (DATA6) |
|---|---|---|---|---|---|---|
| Min:1 | 0x51 | 0xFFFF | 0x06 | 0x05 | 0x01 | data0+…+data5 |
| Max:4 | 0x51 | 0xFFFF | 0x06 | 0x05 | 0x04 | data0+…+data5 |
4. LED 指示灯
该功能可设置 LED 指示灯开启或关闭。
| 数值功能 | HEAD (DATA0) | ID (DATA1-DATA2) | LEN (DATA3) | Functio (DATA4) | Value (DATA5) | CRC (DATA6) |
|---|---|---|---|---|---|---|
| Disable | 0x51 | 0xFFFF | 0x06 | 0x08 | 0x00 | data0+…+data5 |
| Enable | 0x51 | 0xFFFF | 0x06 | 0x08 | 0x01 | data0+…+data5 |
5. 阻塞时间
Block Sensor,该功能可设置感应器封锁时间,最小时间单位为:1s,封锁时间内感应器不输出任何触发状态和模式,等待设置的时间倒计时完成后自动允许感应器触发。
| 数值功能 | HEAD (DATA0) | ID (DATA1-DATA2) | LEN (DATA3) | Function (DATA4) | Value (DATA5-DATA7) | CRC (DATA8) |
|---|---|---|---|---|---|---|
| Min:1s | 0x51 | 0xFFFF | 0x08 | 0x07 | 0x000001 | data0+…+data7 |
| Max:167772125s | 0x51 | 0xFFFF | 0x08 | 0x07 | 0xFFFFFF | data0+…+data7 |
6. 光照度值
该功能可以获取当前环境照度值,并且当环境照度变化量满足预设的光照度差值时,传感器立马上报环境的照度值。
| 数值功能 | HEAD (DATA0) | ID (DATA1-DATA2) | LEN (DATA3) | Function (DATA4) | Value (DATA5-DATA6) | CRC (DATA7) |
|---|---|---|---|---|---|---|
| Min:0Lux | 0x51 | 0xFFFF | 0x07 | 0x09 | 0x0000 | data0+…+data6 |
| Max:800Lux | 0x51 | 0xFFFF | 0x07 | 0x09 | 0x0320 | data0+…+data6 |
7. 延时时间
该功能可设置延时时间,感应器进入无人的延时时间。应用时间建议设置 30S 到 3min。
| 数值功能 | HEAD (DATA0) | ID (DATA1-DATA2) | LEN (DATA3) | Function (DATA4) | Value (DATA5-DATA6) | CRC (DATA7) |
|---|---|---|---|---|---|---|
| Min:2s | 0x51 | 0xFFFF | 0x07 | 0x0D | 0x0002 | data0+…+data6 |
| Max:7200s | 0x51 | 0xFFFF | 0x07 | 0x0D | 0x1C20 | data0+…+data6 |
8. 固件版本
该功能可查看感应器固件版本号。
| 数值功能 | HEAD (DATA0) | ID (DATA1-DATA2) | LEN (DATA3) | Function (DATA4) | Value (DATA5- DATA6) | CRC (DATA7) |
|---|---|---|---|---|---|---|
| Min:v0.0.0 | 0x51 | 0xFFFF | 0x07 | 0x17 | 0x0000 | data0+…+data6 |
| Max:v100.0.0 | 0x51 | 0xFFFF | 0x07 | 0x17 | 0x2710 | data0+…+data6 |
9. 设备 ID
该功能可设置设备 ID 地址,用于区分感应器设备唯一 ID。
| 数值功能 | HEAD (DATA0) | ID (DATA1-DATA2) | LEN (DATA3) | Function (DATA4) | Value (DATA5-DATA6) | CRC (DATA7) |
|---|---|---|---|---|---|---|
| Min:0x0000 | 0x51 | 0xFFFF | 0x07 | 0x18 | 0x0000 | data0+…+data6 |
| Max:0xFFFF | 0x51 | 0xFFFF | 0x07 | 0x18 | 0xFFFF | data0+…+data6 |
相关说明:
- 编辑 ID 方法:上电自检 20s 后,短按按键一次进入 ID 编程模式(串口出现 51 FF FF 06 21 01 77),指示灯快速闪烁,一分钟内可设置 ID,成功后指示灯停止闪烁。(进入后再次短按一次按键退出编程模式指示灯停止闪烁)
- 设备 ID 默认值:0xFFFF
- 恢复出厂设置方法:长按按键 3s 恢复出厂设置,设备 ID 不恢复,主动上报和被动查询不恢复。
- 出厂设置参数:安装高度 3m,灵敏度:4 档,延时时间:30s,指示灯:打开。
- 备注:一条 485 总线上,只能一个感应器处于编辑 ID 模式!不能多个同时进行以免造成地址出错!
10. 光感差值
指环境光照度值变化量的设定值,(即当环境照度值变化量超过设定值时立马上报光照度值)
| 数值功能 | HEAD (DATA0) | ID (DATA1- DATA2) | LEN (DATA3) | Function (DATA4) | Value (DATA5) | CRC (DATA6) |
|---|---|---|---|---|---|---|
| Min:10Lux | 0x51 | 0xFFFF | 0x06 | 0x0A | 0x0A | data0+…+data5 |
| Max:100Lux | 0x51 | 0xFFFF | 0x06 | 0x0A | 0x64 | data0+…+data5 |
11. 光感补偿系数
设置光感值倍数,用于校准光感值
| 数值功能 | HEAD (DATA0) | ID (DATA1-DATA2) | LEN (DATA3) | Function (DATA4) | Value (DATA5) | CRC (DATA6) |
|---|---|---|---|---|---|---|
| Min:0x01 | 0x51 | 0xFFFF | 0x06 | 0x20 | 0x01 | data0+…+data5 |
| Max:0x64 | 0x51 | 0xFFFF | 0x06 | 0x20 | 0x64 | data0+…+data5 |
12. ID 编辑状态
用于查看 ID 是否允许编辑。0:不可以更改,1:可以更改
| 数值功能 | HEAD (DATA0) | ID (DATA1-DATA2) | LEN (DATA3) | Function (DATA4) | Value (DATA5) | CRC (DATA6) |
|---|---|---|---|---|---|---|
| Disable | 0x51 | 0xFFFF | 0x06 | 0x21 | 0x00 | data0+…+data5 |
| Enable | 0x51 | 0xFFFF | 0x06 | 0x21 | 0x01 | data0+…+data5 |
13. 上报/查询切换
用于设置是否主动上报。00:查询模式 01:主动上报
| 数值功能 | HEAD (DATA0) | ID (DATA1-DATA2) | LEN (DATA3) | Function (DATA4) | Value (DATA5) | CRC (DATA6) |
|---|---|---|---|---|---|---|
| Disable | 0x51 | 0xFFFF | 0x06 | 0x22 | 0x00 | data0+…+data5 |
| Enable | 0x51 | 0xFFFF | 0x06 | 0x22 | 0x01 | data0+…+data5 |
14. 翻转状态
用于翻转状态。(感应器处于有人状态时接收到指令则切换状态并回复无人,感应器处于无人状态时接收到指令则切换状态并回复有人)
| 数值功能 | HEAD (DATA0) | ID (DATA1-DATA2) | LEN (DATA3) | Function (DATA4) | Value (DATA5) | CRC (DATA6) |
|---|---|---|---|---|---|---|
| Enable | 0x51 | 0xFFFF | 0x06 | 0x23 | 0x01 | data0+…+data5 |
15. 光感阀值
设备检测到的 Lux 值低于该值则允许感应,如果进入设备进入无人状态后,检测到的 Lux 大于该值,则禁止感应;光感阀值是 0xFFFF 时,才会上报 Lux 值 即 命令(0x09);
| 数值功能 | HEAD (DATA0) | ID (DATA1-DATA2) | LEN (DATA3) | Function (DATA4) | Value (DATA5-DATA6) | CRC (DATA7) |
|---|---|---|---|---|---|---|
| Min:0Lux | 0x51 | 0xFFFF | 0x07 | 0x25 | 0x0000 | data0+…+data6 |
| Max:800Lux | 0x51 | 0xFFFF | 0x07 | 0x25 | 0x0320 | data0+…+data6 |
| 65535(表示无光感阀值功能) | 0x51 | 0xFFFF | 0X07 | 0X25 | 0xFFFF | data0+…+data6 |
16. 感应器使能
如果传感器使能打开,设备禁止感应;如果传感器使能关闭,则 10s 后允许设备感应。
| 数值功能 | HEAD (DATA0) | ID (DATA1-DATA2) | LEN (DATA3) | Function (DATA4) | Value (DATA5) | CRC (DATA6) |
|---|---|---|---|---|---|---|
| 使能打开 | 0x51 | 0xFFFF | 0x06 | 0x26 | 0x01 | data0+…+data5 |
| 使能关闭 | 0x51 | 0xFFFF | 0x06 | 0x26 | 0x00 | data0+…+data5 |
17. 存在检测使能
该功能可设置存在检测功能开启或关闭 01 开启 00 关闭
| 数值功能 | HEAD (DATA0) | ID (DATA1-DATA2) | LEN (DATA3) | Function (DATA4) | Value (DATA5) | CRC (DATA6) |
|---|---|---|---|---|---|---|
| 使能打开 | 0x51 | 0xFFFF | 0x06 | 0x28 | 0x01 | data0+…+data5 |
| 使能关闭 | 0x51 | 0xFFFF | 0x06 | 0x28 | 0x00 | data0+…+data5 |
18. 设置安装高度
0x00 对应高度 220cm、0x01 对应高度 260cm、0x02 对应 300cm
| 数值功能 | HEAD (DATA0) | ID (DATA1-DATA2) | LEN (DATA3) | Function (DATA4) | Value (DATA5) | CRC (DATA6) |
|---|---|---|---|---|---|---|
| 设置安装高度 220cm | 0x51 | 0xFFFF | 0x06 | 0x29 | 0x00 | data0+…+data5 |
| 设置安装高度 260cm | 0x51 | 0xFFFF | 0x06 | 0x29 | 0x01 | data0+…+data5 |
| 设置安装高度 300cm | 0x51 | 0xFFFF | 0x06 | 0x29 | 0x02 | data0+…+data5 |
备注:如果设置数据范围出错则返回:51XXXX06FF02XX;如果没有上述功能项或命令发错则没有任何回复。
十四、免责申明
基于产品的技术复杂度与应用环境的差异性,难以保证完全准确或完善的描述,故此资料仅作用户参考使用。我方将保留在不通知用户的情况下,对产品规格书进行更改的权利,并不做任何法律意义上的承诺和担保。同时我司鼓励用户在试用我方产品后,对我们规格书内容进行补充或更改的建议。