1.适用全热交换器型号
家用薄型全热交换器
FY- 15ZDP1C,FY-25ZDP1C,FY-35ZDP1C,FY-50ZDP1C
FY- 15GZD1, FY-25GZD1, FY-35GZD1, FY-50GZD1
FY-RZ18DP1, FY-RZ28DP1 ,FY-RZ38DP1
商用全热交换器
FY- 15ZY1C,FY-25ZY1C,FY-35ZY1C
FY-50ZY1C, FY-65ZY1C, FY-80ZY1C
FY- 1KZY1C ,FY- 1HZY1C, FY-2KZY1C
家用薄型全热交换器(适用寒冷地区)
FY- 15ZDP1CX, FY-25ZDP1CX,FY-35ZDP1CX
全热交换器(柜式新风机)
FY-50ZR1C ,FY-70ZR1C
| 电源 | DC 5V |
| 额定功率 | 0 .25W |
| 重量 | 0 .06kg |
| 使用环境 | 温度: – 10℃~40℃/相对湿度: 85%RH以下 |
| 信息传送方式 | 起停同步方式起始位:1bit,数据位:8bit,停止位:1bit,奇偶校验位:无 |
| 检查字段 | 采用的MODBUS-RTU方式的16位CRC(巡回冗长检查)。 |
| 协议基本形式 | Modbus框架结构 |
| 地址栏 | 地址的有效范围是1~63 |
| 数据区 | Modbus数据区使用的字节顺序, Big-Endian。 (高位字节→低位字节) |
| 数据传送速度 | 9600bps |
通信协议使用Modbus Protocol,串口传送时使用RTU模式。
依据以下标准制定。
GB/T 19582 . 1-2008 基于Modbus协议的工业自动化网络规范 第1部分
GB/T 19582 .2-2008 基于Modbus协议的工业自动化网络规范 第2部分
通信框架结构如下:
| ① | ② | ③ | ④ | ⑤ | ⑥ | |
| 名称 | 始端 | 机器地址 | 功能代码 | 数据 | 校验码 | 终端 |
| 字节数 | 默认区间 | 1 | 1 | n | 2 | 默认区间 |
①始端:设定3 .65ms以上的默认区间(无通信时间) 。
②机器地址:指定连接RS485模块的机器地址。 (设定方法参照后叙地址设定的项目)
③功能代码:(可使用的功能码如下)
| 功能代码 | 内容 | 功能说明 |
| 0x03 | 读取寄存器 | 读取寄存器的值 |
| 0x06 | 写入寄存器 | 写入(单一)设定值 |
| 0x10 | 写入复数寄存器 | 写入(复数)设定值 |
④数据:数据部的构成会因功能码及寄存器地址而不同。 (参照附件中通信框架设置案例)
⑤校验码:使用Modbus-RTU模式的16位CRC巡回冗长检查的计算值。
关于CRC计算方法请参照标准GB/T 19582 .2-2008
⑥终端:设定3 .65ms上的默认区间(无通信时间)。

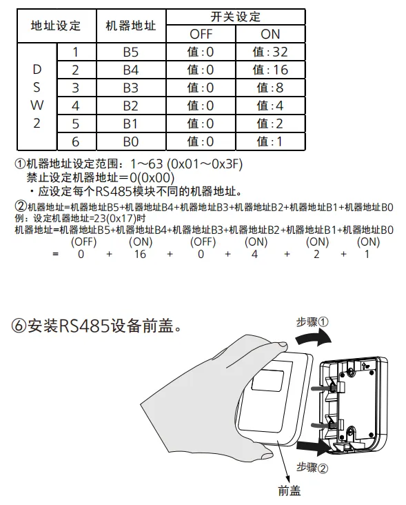
机器地址设定
机器地址的设定根据RS485设备的DSW2来设置。
(2)地址设定开关DSW2
各开关的ON/OFF组合和机器地址的关系如下表:

寄存器地址一览(该RS485模块通信时使用的寄存器地址如下述一览表所示)


可连续访问复数寄存器地址的范围如下:
・读取(功能码:0x03):0x0001~0x0013
・写入(功能码:0x10):0x0001~0x0003、0x0011~0x0013、0x0014~0x0017
※1 读取时,请使用功能码0x03把复数寄存器地址(0x0011~0x0013)一并读取;
写入时,请使用功能码0x10把复数寄存器地址(0x0011~0x0013)一并写入;
(例)「设定定时开 2时50分ON」、「设定定时关 19时43分ON」这样设定时(机器地址为0x01)。
01 10 00 11 00 03 06 32 02 01 01 2B 13 C4 03
※2 写入时,请使用功能码0x10把复数寄存器地址(0x0014~0x0017)一并写入;
(例)「网络时间(17时40分00秒)」这样设定时(机器地址为0x01)。
01 10 00 14 00 04 08 FF FF 28 FF FF 11 FF FF B5 DC
※3 Modbus主节点(集中控制装置)150秒以内没有读取或者写入的要求时,检出联网异常。
※4 ○表示适用于家用薄型全热交换器;□表示适用于商用全热交换器;△表示适用于家用薄型全热交换器(寒冷地型号)。
※5 表示寒冷地控制的防止结露保护或者防止冻结保护是否动作。
※6 表示寒冷地控制的防止结露保护或者防止冻结保护动作时的运行模式。
(寒冷地控制的保护不动作时,与运行模式0x0002的值相同)
※7 表示寒冷地控制防止结露保护或者防止冻结保护动作时的风量。
(寒冷地控制的保护不动作时,与风量0x0003的值相同)
※8 请不要访问没有定义的寄存器地址。
※9 是「预约」寄存器地址。读取值无效。
※10 是「预约」数据领域。读取值、写入值无效
