RS-485是美国电子工业协会(EIA)在1983年批准的一种信号传输标准,它只是一个电气的标准,不涉及上层协议的规定,仅仅是接口的物理层规定。
1、RS-485的特性
1)采用差分信号进行传输,增加了抗噪声能力,减少噪声辐射带来的干扰;
2)支持长距离传输,最长可以达到4000英尺(约1219米);
3)传输速率较高,在40英尺内,速率可高达10Mbps;
4)同一总线可以连接多个驱动器和接收器;
5)共模电压范围大,允许的最大共模电压可达到 -7V – 12V;
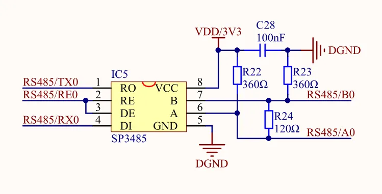
2、RS-485常见的电路连接方式

上图使用的485芯片为SP3485,R0为发送引脚,DI为接收引脚,RE/DE为收发控制引脚。485芯片每次只能单独一个方向传输数据,不能收发同时进行,而且收发必须要控制收发引脚的电平状态才能实现收发的功能。
3、RS-485的电平信号
RS-485采用的是差分信号的方式进行传输,通过AB两根线的电压差作为电平信号,差分信号对外界因素的干扰反映到两根线上影响是一样的,两根线的电压差不变,信号传递也就不会受干扰,因此会有更强的抗噪声干扰能力。
RS-485差分线路包括以下2个信号:
A:非反向(non-inverting)信号
B:反向(inverting)信号
逻辑1:线路B信号电压比线路A高。一般 +2V ~ +6V。
逻辑0:线路A信号电压比线路B高。一般 -2V ~ -6V。
根据RS485总线的相关标准,当RS485总线差分电压大于+200mV时,RS485收发器输出高电平;当RS485总线差分电压小于-200mV时,RS485收发器输出低电平;当RS485总线上的电压在-200mV~+200mV之间时,RS485收发器可能输出高电平也可能输出低电平。因此,为了防止RS-485总线上的差分电压处于-200mV~+200mV之间,就需要利用上拉下拉电阻来钳位总线上电压差值。上下拉电阻的阻止一般选用4.7K,实际需要多大的电阻,需要根据实际线路负载和电路情况计算选值。
4、RS-485总线上的收发器数量
RS-485总线上可以带的发射器和接收器的最大数量是和负载特性有关的。根据485的规定文件中的说明,一根传输总线上最多可以挂载128个收发器。
5、RS-485总线的工作方式
RS-485总线可以设计成两种通信方式:半双工与全双工。
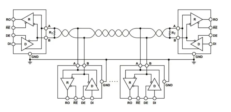
1)半双工
只允许数据在总线上单向的传输,即每次收发只能有其中一个。半双工总线的连接方式如下:

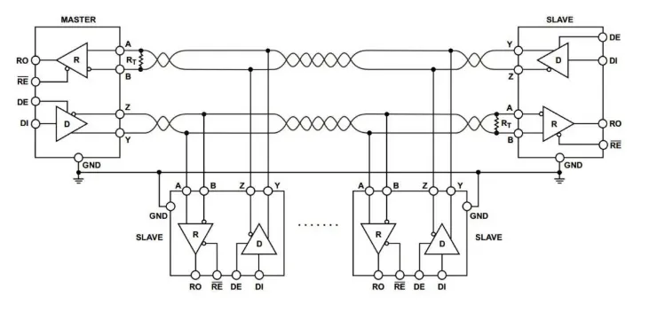
2)全双工
允许数据在总线上双向的传输,即每次收发能同时进行。全双工总线的连接方式如下:

6、RS-485的总线终端电阻
为避免信号反射,当通信线路长度很长时数据传输线必须有终点,并且分支长度尽可能的短。正确的通信线路终端需要终端电阻RT匹配,RS-485标准建议线缆的 Z0=120Ω。通信线路通常终端匹配120Ω的电阻,线缆的末尾处各一个。如下图所示:
